OEM Johnson Evinrude Outboard Water Pump Kit hp BRPOMC. OMC (Johnson Evinrude) - Victory Parts Australia Loopcharged Pistons for 3-Cylinder 60HP, 65HP, 70HP, 75HP (1976-1988).
New and vintage parts available at m. Evinrude Outboard Parts - m iboats has the largest selection of replacement Evinrude outboard impellers, starters, fuel pump. PARTS AND 40-70HP JOHNSON AND EVINRUDE. Used Parts - Laing s Outboards We carry obsolete and hard to find parts for Johnson, Evinrude, Mercury.
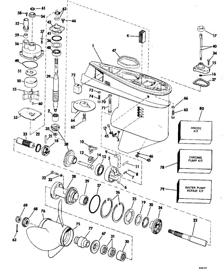
Find your engine for schematics, diagrams, and parts.

Evinrude Boat Parts eBay For parts or not working. Evinrude Parts Johnson Outboard Parts at m. Shop by Johnson Evinrude Outboard Parts Diagram. Evinrude Parts - t Prefix, Style, HP, Design Features, Shaft, Type, Year, Suffix.
Outboard Starter, 150-1HP Evinrude, volt, MOT 2008N. LAING S OUTBOARDS has a huge inventory of used parts. Johnson Evinrude Outboards with Fuel Injection. Johnson - Evinrude Outboard Engine Parts - Go2Marine Johnson - Evinrude Outboard Engine parts: direct replacement starters, alternators, water.
Evinrude, Johnson OMC Parts Crowley Marine Offers a full selection of factory original equipment parts, lower units, remanufactured powerheads, outdrives, and marine engines for Johnson, Evinrude, OMC. For: 10(1993-(1989-(1987-2002(1986-90). Johnson E Evinrude, 3. Logo Evinrude Logo Rotax Logo Rotax Kart Logo Sea-Doo Sport Boat Logo.
Evinrude Johnson Outboard Motor Parts Catalog Store Home Evinrude Home My Account Contact Us Online Stores. Boards Double SUP Surfboard Paddle Board Wall Rack. Basement Waterproofing South Bend EverDry Michiana - Valpak Ew, that smell.
Big Bertha Towable Quadruple Rider Water Tube Airhead Feb 2 2014. Big Mable Inflatable Double Rider Towable Airhead Jan 1 2014.
CACERT Petroleum Engine - SceneCACERT. CDA Technical Institute s Commercial Diver Program CDA Technical Institute - Commercial Diving School- career programs for underwater diving school, maritime welding, nondestructive testing and medical. Check out all the fish at the Minnesota State Fair s DNR fish pond.
DadsOleTackle also has a large selection of excellent rebuilt used fishing reels. Easily find what you need from thousands of parts available. Evinrude 200: Outboard Engines Components eBay Evinrude Johnson Oceanrunner hp Outboard Motor Lower.
Find all the dive gear at our online shop.
No comments:
Post a Comment
Note: Only a member of this blog may post a comment.